Domaine d’emploi
Ne pas abuser des feux, car ils ne constituent pas en soit un équipement de sécurité *. Ils ne doivent être employés que si aucune autre solution d’aménagement sans feux (priorité à droite ou carrefour à sens giratoire) ne donne satisfaction.
Seule l’importance des flux de véhicules et de piétons dans une emprise contrainte permet de justifier les feu.
L’implantation de feux nécessite une géométrie adaptée au fonctionnement des feux. Les carrefours à feux n’ont pas les mêmes formes que les autres intersections et leur aménagement fait l’objet de recommandations détaillées dans le guide de conception des carrefours à feux.
* Feux et sécurité :
- 30 000 carrefours à feux en France,
- 10 000 accidents corporels par an,
- 1 500 blessés grièvement,
- 150 tués.
- Dans de nombreuses villes les intersections les plus accidentogènes sont équipées de feux. La vitesse est le premier facteur accidentogène. Le non respect des feux est impliqué dans 1/3 des accidents.
Séparer dans le temps les principaux mouvements en conflit dans une intersection
Les signaux lumineux permettent de gérer les flux de circulation en conflit dans une intersection, en autorisant certains mouvements (par exemple mouvements issus d’une rue principale et piétons traversant la secondaire) pendant que d’autres sont bloqués (mouvements issus de la rue secondaire et piétons traversant la rue principale).
Ne pas abuser des signaux lumineux :
Les signaux lumineux ne sont utiles que si les créneaux dans les flux ne sont plus suffisants pour permettre aux différents usagers de traverser confortablement l’intersection sans prendre de risque.
Ainsi, la mise place de signaux lumineux ne doit être envisagée que si aucune solution en écoulement libre (carrefour à priorité à droite, cédez-le-passage, stop, giratoire) ne donne satisfaction.
La présence d’un carrefour à feux proche d’une autre intersection, favorise l’existence de créneaux plus longs sur l’intersection. Si ces créneaux sont suffisants, alors la mise en place de feux n’est pas utile.
Particularité des piétons :
En milieu urbain un carrefour à feux sur deux est justifié par les piétons, car le créneau permettant à un piéton de traverser une intersection est plus long que celui requis par un véhicule léger.
Les piétons éprouvent des difficultés à traverser une chaussée :
- si le trafic est supérieur à 600 véhicules par heure deux sens confondus ;
- si le trafic est supérieur à 800 véhicules par heure pour une chaussée à sens unique.
Augmenter la durée des créneaux sans feux :
Sans reccourir aux feux, l’augmentation de la durée des créneaux peut se faire au niveau de l’aménagement en décomposant le carrefour en plusieurs intersections simples (carrefour à sens giratoire) ou par la mise en place d’îlots-refuge permettant aux piétons de ne traverser qu’un seul sens de circulation à la fois : les créneaux dans le trafic sont alors plus longs et plus simples à repérer pour le piéton.
Passage piétons en section courante et alternats
L’usage des signaux lumineux est étendu à la protection de passages piétons en section courante et à la gestion d’une voie sous alternat lorsqu’au passage d’un point singulier elle est trop étroite pour pouvoir admettre simultanément les deux sens de circulation.
La gestion par feux des passages piétons en section courante doit être utilisée avec précaution :
- Elle est proscrite sur les voies à 70km/h.
- La mise en place d’un îlot-refuge sur les voies à double-sens est vivement conseillée avant la mise en place de feux.
Les feux sont des équipements essentiellement urbains
Les vitesses d’approches des véhicules doivent être modérées afin que les véhicules puissent s’arrêter aux feux dans des conditions normales de décélérations. Lorsque les vitesses sont trop élevées on constate :
- de nombreux franchissements de rouge,
- des chocs arrières fréquents.
La signalisation lumineuse n’est donc pas adaptée à la rase campagne où les vitesses sont trop élevées.
Les feux ne doivent pas surprendre l’usager :
C’est la rupture dans le bâti qui rend visible la présence d’une intersection. Elle doit être perçue par l’usager y compris lorsque les feux sont éteints. Utiliser des feux pour rendre visible une intersection mal perçue est une fausse solution en terme de sécurité.
Une installation de carrefour à feux doit être maintenue :
La maintenance des feux suppose des compétences particulières, notamment celles de traficiens. Cette compétence représente un investissement lourd en terme de ressources humaines qui ne peut être amorti que sur un nombre d’installations élevé. Cela est rarement le cas dans les villes de moins de 10 000 habitants.
Les feux fonctionnent en permanence
L’extinction ou le fonctionnement au jaune clignotant des feux sur tout ou partie de la journée est dangereuse : ils doivent fonctionner en permanence.
Pour être bien respectés les signaux lumineux doivent être crédibles :
- l’importance des flux en conflits doit les justifier sur une grande partie de la journée ;
- leur fonctionnement doit tenir compte des flux en présence ;
- la maintenance doit garantir leur visibilité.
Règles d’or de conception
La conception d’un carrefour est une démarche non linéaire qui nécessite bien souvent de nombreux allers et retours entre les esquisses de tracés géométriques et l’évaluation fonctionnelle de ces tracés. Sont donnés ici quelques point de repères ainsi que les outils permettant d’évaluer un avant-projet de carrefour à feux.
On y trouvera également les termes utilisés dans ce domaine.
Géométrie et phasage sont indissociables
Dans un carrefour à feux, les différents flux qui le traversent sont séparés dans le temps mais se partagent un espace commun. Cette séparation dans le temps en fait un aménagement bien à part, avec des règles de conception qui sont bien souvent contre-intuitives pour le néophyte.
Il ne suffit pas d’installer des feux sur une intersection pour en faire un carrefour à feux. La géométrie de l’aménagement doit obéir à certaines règles de conception qui sont les garantes de la sécurité des usagers.
Les règles fondamentales de conception des carrefours à feux sont présentées dans les rubriques suivantes.
Séparation des mouvements en deux phases
Dans tout projet de carrefour à feux, il faut privilégier dès le départ une organisation de l’admission des mouvements en deux phases. On parle alors de carrefour à deux phases.
Le schéma suivant présente un carrefour simple à deux phases :
- dans la phase 1 sont admis les mouvements de la rue principale ainsi que les piétons traversant la rue secondaire ;
- dans la phase 2 sont admis les mouvements de la rue secondaire ainsi que les piétons traversant la rue principale.

Organigramme des phases : schéma représentant le phasage du carrefour.
Intérêts du deux phases :
- Fonctionnement le plus simple possible.
- Très bien compris des usagers et notamment des piétons (si l’autre mouvement s’arrête alors c’est à mon tour de passer).
- Moins de mouvements sont arrêtés :
- 2 phases : un mouvement sur deux est à l’arrêt ;
- 3 phases : 2/3 des mouvements sont à l’arrêts ;
- 4 phases : 3/4 des mouvements sont à l’arrêts.
- Minimise les temps perdus (entre chaque phase pendant quelques secondes aucun mouvement ne traverse le carrefour), moins il y a de phases moins on a de temps perdus.
- Rendement élevé :
- 2 phases : environ 800 véh/h par file,
- 3 phases : environ 500 véh/h par file,
- 4 phases : environ 250 véh/h par file.
Orthogonalité des voies en conflits et alignement des voies en phases
Alignement des voies phases :
- Dans un fonctionnement à deux phases les mouvements qui se font face sont admis en même temps.
- Rend lisible la règle du code de la route : lorsqu’on tourne-à-gauche, on cède le passage au mouvement adverse.
- Les piétons ont l’habitude de passer en même temps que les mouvements qui circulent parallèlement.

Orthogonalité des voies en conflits :
- Dans un fonctionnement à deux phases les mouvements des voies qui se coupent orthogonalement ne sont pas admis dans la même phase.
- Facilite la compréhension des piétons.
- Les signaux ne sont visibles que des seuls usagers auxquels ils sont destinés.
Minimiser la taille de la zone des conflits
Zone des conflits : désigne la surface du carrefour où des conflits (risque de collision) sont possibles entre les différents usagers.
Elle s’étend en général du centre du carrefour jusqu’aux bords externes des passages piétons qui ceinturent le carrefour.
La zone des conflits doit être la plus petite possible :
- Réduit la vitesse des véhicules ;
- Réduit la longueur des traversées pour les piétons ;
- Réduit la vitesse des véhicules qui tournent à droite grâce un rayon plus serré et facilite ainsi le céder le passage aux piétons.

Mais :
- On doit garantir un espace minimum au centre du carrefour pour le stockage des véhicules qui tournent à gauche ;
- On doit garantir le passage des véhicules à giration difficile tels que les BUS.
Carrefours types
Deux types de carrefour simple respectent l’ensemble des règles énoncées précédemment :
- Le carrefour en T à deux phases.
- Le carrefour en croix à deux phases.
Ces carrefours types sont les références des concepteurs. Un carrefour à feux sera ou d’un de ces deux types ou un assemblage de carrefours de ces deux types.
Carrefour en T :

Carrefour en croix :

Démarche
La méthode proposée est simple et ne nécessite aucun outil de calcul en particulier. Dans certains cas d’autres contraintes interviennent, et seule l’évaluation détaillée, qui sera décrite dans un autre article permet de valider fonctionnellement une solution.
Le schéma suivant présente de manière détaillé le processus d’évaluation sommaire de la réserve de capacité d’un avant-projet.

Trafics de référence
Afin de dimensionner sans excès un carrefour à feux, il est nécessaire de connaître les trafics de véhicules qui vont s’écouler.
Lorsqu’il s’agit d’un carrefour existant, une campagne de comptages permet de mesurer ces flux aux heures de pointes.
S’il s’agit d’un nouvel aménagement, alors il faut estimer les trafics. Dans bien des cas, des outils de planifications permettent de dégrossir le problème.
Les trafics de références sont exprimés en véhicules par heure.
Si le trafic poids-lourd est important, il faut distinguer les PL des VL.
Les trafics de références correspondent à une situation bien définie dans le temps et récurrente, par exemple heure de pointe du matin (HPM) ou heure de pointe du soir (HPS), mais en aucun cas à un mélange des deux.
Le schéma suivant présente un projet de carrefour avec les trafics de référence.

Transformation des comptages en u.v.p./h
Un poid-lourd met en moyenne deux fois plus de temps pour franchir une ligne de feu qu’un véhicule léger ou une moto. Or la question du temps mis pour écouler un nombre donné de véhicule est fondamentale en carrefour à feux. Afin de simplifier les calculs ultérieurs et ne plus avoir à traiter chaque catégorie de véhicules séparément, une homogénéisation des données est nécessaire. Un coefficient de pondération est appliqué à chaque catégorie de véhicules pour exprimer les volumes de trafic dans une grandeur unique : l’unité de véhicule particulier (u.v.p). Les volumes de trafics seront alors exprimés en uvp/h.
Le tableau suivant donnent les coefficients à appliquer :
| Type | Coefficient |
|---|---|
| deux-roues | 0,3 |
| véhicule léger | 1 |
| bus, poid-lourd(>3,5T) | 2 |
| bus articulé | 3 |
L’application des coefficients sur les données de l’exemple donne les résultats suivants :

Transformation des trafics en u.v.p.d./h
Les véhicules franchissent plus ou moins rapidement la ligne de feu selon la direction qu’ils prennent dans le carrefour. Les véhicules changeant de direction mettent en général plus de temps pour franchir la ligne de feu que ceux qui vont tout-droit.
Afin de tenir compte de cette gêne et pour faciliter les calculs ultérieurs les trafics sont pondérés afin de rendre les données homogènes.
Le tableau suivant présente les coefficients de pondération :

* N.B. On n’applique ce coefficient uniquement lorsque les véhicules qui tournent à gauche s’arrêtent dans le carrefour pour laisser passer les véhicules du mouvement adverse dans des carrefours simples. Sur les carrefours à îlot centraux, il n’y a pas lieu d’appliquer ce coefficient, on se contentera du coefficient de mouvement tournant.
La figure suivante présente l’application de ces coefficients au carrefour exemple, dont le fonctionnement est à deux phases.

Le schéma suivant présente les résultats des calculs détaillés sur la figure précédente.

Répartition des flux par voie (file)
La voie(file) la plus chargée est celle qui demandera le plus de temps de vert pour écouler son propre trafic. Le trafic de la voie(file) la plus chargée par phase dimensionnera ainsi le temps de vert de la phase concernée. Il nous faut donc répartir les trafics voie(file) par voie(file) afin de déterminer quelles seront les voies(files) critiques.
Pour affecter les flux par voie(file) on affecte en premier les mouvements n’ayant le choix de la file puis on affecte ensuite véhicule par véhicule les mouvements qui ont le choix sur les voies(files) les moins chargées avec pour objectif d’équilibrer les files lorsque cela est possible.
La répartition des mouvements sur notre exemple donne les résultats suivants :

La rue Victor-Hugo est une rue à double sens avec une seule voie par sens, la répartition des flux au niveau des entrées est donc triviale : il suffit de faire la somme des mouvements.
La rue Émile-Zola est une rue à sens unique avec deux voies. Il faut donc d’abord affecter les mouvements de tourne-à-gauche et de tourne-à-droite qui ne peuvent respectivement emprunter que la voie de gauche et la voie droite conformément au code de la route. Ensuite on affecte véhicule par véhicule le flux de tout-droit sur la file la moins chargée jusqu’à épuisement du mouvement de tout-droit.
Le matin, cela conduit à équilibrer les deux voies, mais le soir tous les véhicules qui vont tout-droit sont affectés sur la file de gauche qui restera malgré tout moins chargée que celle de droite.
Demande de trafic du carrefour (D)
La demande d’une phase est égale au trafic en uvpd/h.voie de la voie la plus chargée admise au cours de cette phase.
La demande d’un carrefour D est la somme des demandes de chaque phase.
Ainsi pour un carrefour à deux phases : D = demande (phase 1) + demande (phase 2).
Pour un carrefour à trois phases : D = demande (phase 1) + demande (phase 2) + demande (phase 3).
Pour un carrefour à quatre phases : D = demande (phase 1) + demande (phase 2) + demande (phase 3) + demande (phase 4).
Revenons à notre exemple de carrefour à deux phases :

Heure de pointe du matin :
Au cours de la phase 1 sont admis les mouvements de véhicules provenant de la rue Victor-Hugo. La voie la plus chargé est celle de l’entrée B.
Demande (phase 1) = 594 uvpd/h.voie.
Au cours de la phase 2 sont admis les deux voies de la rue Emile-Zola.
Demande (phase 2) = 495 uvpd/h.voie.
La demande du carrefour D : D = 594 + 495 = 1089 uvpd/h.voie
Heure de pointe du soir :
La voie la plus chargé admise au cours de la phase 1 est celle de l’entrée B.
Demande (phase 1) = 654 uvpd/h.voie.
La voie la plus chargée admise au cours de la phase 2 est la voie de droite de la rue Emile-Zola.
Demande (phase 2) = 596 uvpd/h.voie.
La demande du carrefour D : D = 654 + 596 = 1250 uvpd/h.voie
Estimation des temps neutralisés (Tn)
Lors du passage d’une phase à l’autre un certain temps est neutralisé pour l’écoulement des véhicules. En effet aucun véhicule n’est censé traverser le carrefour pendant le jaune et la durée du rouge qui précède le vert de la phase suivante. Cette durée de rouge correspond aux temps de dégagement entre les courants incompatibles. Le temps de dégagement entre deux courants incompatibles est égal au temps permettant aux usagers engagés à la dernière seconde de vert pour les piétons et de jaune pour les véhicules d’avoir dégagé la zone des conflits avant le passage au vert de la ligne de feux gérant les courants antagonistes. Ce calcul est généralement fait sur la base d’une vitesse de 10m/s pour les véhicules et de 1 m/s pour les piétons.
Pour l’évaluation sommaire, les temps de dégagements sont estimés grossièrement en mesurant rapidement les distances de dégagement entre mouvements véhicules antagonistes.
Exemple :

Le temps neutralisé pour chaque phase est égal à la somme :
- de la durée du jaune soit 3 secondes,
- de la durée du rouge de dégagement, soit ici 2 secondes, car les distances de dégagement sur notre exemple sont comprises entre 10 et 20 mètres et l’on arrondit toujours à la valeur entière supérieure.
Nous avons donc un temps neutralisé de 5s pour chaque phase, d’où Tn = 10 secondes.
Choix d’une durée de cycle au stade de l’avant-projet
La capacité d’un carrefour croit légèrement avec la durée du cycle. Toutefois, comme détaillé dans la rubrique traitant des tournes-à-gauche, les cycles longs posent des problèmes de gestion des tournes-à-gauche. Au stade de l’avant-projet, on retiendra toujours un cycle le plus court possible : une valeur comprise entre 50 et 70 secondes est conseillée pour un carrefour fonctionnant à deux phases.
La durée de cycle peut être imposée par la coordination entre les carrefours ; dans ce cas on retiendra cette valeur.
Offre de capacité théorique d’un carrefour (Qt)
L’offre de capacité théorique d’un carrefour est définie par la formule suivante : Qt=qsx(Cy-Tn)/Cy ;
avec qs le débit de saturation d’une voie.
En milieu urbain qs=1800 upvd/h. On pourra retenir des valeurs inférieures ou supérieures en fonction du contexte.
Exemple :
Cy = 60s, Tn = 10s, qs=1800 uvpd/h
Qt=1800x(60-10)/60=1500 uvpd/h
Réserve de capacité d’un carrefour (Rc)
La réserve de capacité Rc du carrefour est égale à la différence entre l’offre de capacité Qt du carrefour et la demande D de trafic sur le carrefour, rapportée à l’offre de capacité.
Rc = (Qt − D)/Qt
Exemple :

Heure de pointe du matin :
D=594+495= 1089 uvpd/h
Qt=1800x(60-10)/60=1500 uvpd/h
Rc= (1500 − 1089)/1500 = 27,4%
Heure de pointe du soir :
D=654+596=1250 uvpd/h
Qt=1500 uvpd/h
Rc= (1500 − 1250)/1500 = 16,6%.
N.B. Lorsque la demande de trafic d’une phase est très faible et que ce sont le temps de vert et la durée du rouge de dégagement des
piétons qui imposent la durée à la phase, il faut modifier cette méthode de la manière suivante :
on considérera comme nulle la demande de trafic de la phase concernée et on assimilera la durée de la phase à du temps perdu.
La problématique
La problématique des tourne-à-gauche concerne uniquement les carrefours à feux où un mouvement de tourne-à-gauche est en conflit avec un mouvement adverse.
Dans un fonctionnement à deux phases les véhicules qui tournent à gauche cèdent le passage aux véhicules issus du mouvement adverse. Cette traversée en deux temps des tourne-à-gauche supposent que ces véhicules puissent se stocker dans le carrefour sans pour autant gêner l’écoulement des véhicules en tout-droit qui les suivent. Les véhicules stockés évacuent le carrefour en fin de vert et pendant les temps de dégagement.
Maintenir ce type un fonctionnement global à deux phases est l’objectif premier du traitement des tourne-à-gauche. Recourir à d’autres modes d’admission des mouvements de tourne-à-gauche ne doit être envisagé qu’en dernier ressort lorsque les contraintes l’imposent.
Durée du cycle et traitement des TAG
Maintenir un fonctionnement à deux phases suppose que les véhicules qui tournent à gauche puissent se stocker dans le carrefour sans gêner l’écoulement des mouvements de tout-droit et que les mouvements de tourne-à-gauche adverses ne se bloquent mutuellement. Moins il y a de véhicules qui tournent à gauche à chaque cycle et moins il faut de place dans le carrefour pour les stocker.
Le nombre de véhicules qui tournent à gauche à chaque cycle dépend du nombre de cycles par heure et donc de la durée du cycle. Si G désigne le nombre de véhicules tournant à gauche par heure, g le nombre de véhicules qui tournent à gauche par cycle :
g=G*Cy/3600.
Le tableau suivant donne les valeurs de g arrondies à l’unité supérieure :

Cycle court = diminution des problèmes de tourne-à-gauche :
Une simple lecture du tableau montre l’intérêt de fonctionner avec des cycles courts pour garantir un faible nombre de véhicules à stocker dans le carrefour et réduire ainsi les phénomènes de gêne pour les tout-droits et de blocage entre les mouvements de tourne-à-gauche adverses .
Carrefours en croix et TAG
Dans de nombreux carrefours en croix compacts, on peut stocker sans difficulé un à trois véhicules pour chaque tourne-à-gauche comme l’illustre les deux schémas suivants :

Sur cet exemple on peut écouler environ 60 à 120 véhicules par heure pour chaque mouvement de tourne-à-gauche sur la base d’un cycle de 60 secondes.

Sur ce carrefour il est possible d’écouler environ 120 à 180 véhicules par heure pour chaque mouvement de tourne-à-gauche sur la base d’un cycle de 60 secondes.
Dans des carrefours en croix de taille plus vaste il est facile de stocker sans gêne au moins 3 à 5 véhicules pour chaque tourne-à-gauche.

Pour ce carrefour, on peut écouler environ entre 180 à 300 véhicules par heure pour chaque tourne-à-gauche sur la base d’un cycle de 60 secondes.
Prolongation à la fermeture
Cette technique offre une possibilité de maintenir un fonctionnement global à deux phases lorsque les conditions suivantes sont réunies :
- les possibilités de stockage à l’intérieur du carrefour sont insuffisantes pour un mouvement de tourne-à-gauche,
- le mouvement de tourne-à-gauche adverse ne pose pas de problème de stockage,
- il est possible de réserver une voie à l’entrée pour le tourne-à-gauche.

Pendant la phase 1, les véhicules (représentés en rouge sur la figure) qui tournent à gauche se stockent dans le carrefour puis sur la voie de gauche.
Lors de la phase 1’, les mouvements adverses ne sont plus admis dans le carrefour, permettant ainsi aux véhicules stockés de dégager le carrefour. La durée de la phase 1’ est fonction du nombre de véhicules en tourne-à-gauche.
Attention aux piétons : dès que le décalage est important (plus de 5 à 6 secondes), une précaution toute particulière est à prendre pour les piétons. Il est nécessaire de réaliser une traversée en deux temps à l’aide d’un îlot pour piéton dit en baïonnette sans quoi ces derniers commenceront à traverser dès que les véhicules du mouvement adverse s’arrêtent, sans avoir compris que des véhicules circulent encore dans le sens opposé.
Phases spéciales de tourne-à-gauche
Il faut éviter les phases spéciales et n’y recourir qu’après avoir épuisé toutes les autres solutions. Si tel est le cas, la réglementation insiste sur la séparation des mouvements et l’usage de signaux R11.
Le schéma suivant présente un tel cas :

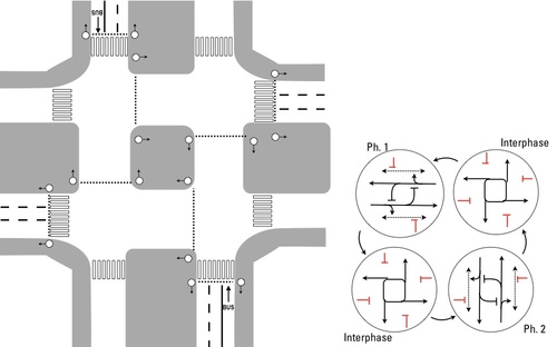
Simplification d’un carrefour à 4 phases
Dans de nombreuses agglomérations on rencontre encore des carrefours à 4 phases connus bien souvent pour être des points noirs de la circulation. La figure suivante présente un carrefour à 4 phases dont nous allons simplifier le fonctionnement :

Fonctionnement actuel
Le cycle de ce carrefour est de 120s.
Calcul de la demande de trafic du carrefour :
Les rayons de giration étant larges, on peut se dispenser d’appliquer les coefficients de transformation des uvp/h en uvpd/h.
Demande de la phase 1 : 1400/4 = 350 uvpd/h
Demande de la phase 2 : 350/1 = 350 upvd/h
Demande de la phase 3 : 350/1 = 350 uvpd/h
Demande de la phase 4 : 500/2 = 250 uvpd/h
Demande du carrefour D : 350 + 350 + 350 + 250 = 1300 uvpd/h
Estimation des temps perdus :
Entre la phase 1 et la phase 2 : 8 s
Entre la phase 2 et la phase 3 : 8 s
Entre la phase 3 et la phase 4 : 6 s
Entre la phase 4 et la phase 1 : 8 s
Le temps perdu est de 8+8+6+8= 30 s
Offre de capacité du carrefour : Qt = 1800 × (120 – 30)/120 = 1350uvpd/h
Calcul de la réserve de capacité :
Rc = (Qt – D)/Qt = (1350– 1300)/1300= 3,8%.
Le carrefour est quasiment saturé.
Esquisse d’une solution
Pour simplifier le fonctionnement du carrefour, il faut en première approche retenir un fonctionnement à deux phases. Les mouvements de tourne-à-gauche n’ont plus besoin d’être séparés des mouvements tout-droit. On peut donc neutraliser les voies de tourne-à-gauche. Dans un fonctionnement à deux phases on sait que l’on peut compter sur une capacité d’au moins 700 uvp/h par voie. On peut alors envisager de supprimer une voie sur deux sans dégrader la capacité du carrefour : un dimensionnement des entrées à 3 voies est donc suffisant en première hypothèse.
Compte tenu du nombre de véhicules à stocker dans le carrefour, il faut organiser le stockage. Un îlot est donc nécessaire au centre du carrefour.
Les véhicules qui tournent à gauche se stockent à l’intérieur du carrefour et doivent céder le passage aux véhicules de l’entrée adverse. Cependant on constate que cela pose des problèmes de sécurité lorsque l’entrée adverse est à plus de deux voies. De plus les tourne-à-gauche qui réussissent à traverser le flot de véhicules notamment pendant les heures creuses sont en conflit avec les piétons qui traversent les sécantes.
Il est donc préférable de gérer les tournes-à-gauche avec des feux supplémentaires.
La règle de l’orthogonalité des voies en conflits nous amène à donner une forme carrée à l’îlot central.
Le schéma suivant présente une esquisse de solution :

Il faut bien sûr vérifier que l’on puisse stocker les mouvements de tourne-à-gauche à l’intérieur du carrefour. On retiendra de préférence un cycle court 60 à 70 secondes.
Calcul de la demande de trafic du carrefour :
Demande de la phase 1 : (1400 + 500)/3 = 635 vpd/h
Demande de la phase 2 : (350 + 350)/2 = 350 uvpd/h.
Demande du carrefour D : 630 + 350 = 985 uvpd/h.
Réserve de capacité du carrefour :
Tp = 16 s (8 secondes de temps perdus pour chaque interphase)
Qt = 1800 × (60 – 16)/60 = 1320 uvpd/h
Rc = (1300 – 985)/1320 = 25%
La réserve de capacité du carrefour est très confortable, le carrefour pourra donc fonctionner avec de la souplesse.
Cas particuliers
Proscrire les tourne-à-gauche par la droite
Ce type de fonctionnement était très répandu sur les rocades urbaines et les grands boulevards péri-urbains. Cependant l’accidentologie montre que l’interdiction de tourner à gauche au centre du carrefour n’est pas toujours respectée, car peu crédible, et conduit à des accidents particulièrement graves. On assiste de plus en plus à leur suppression et à la mise place de carrefours de type giratoire, ou de places à feux (carrefour composé) où les tourne-à-gauche se stockent autour d’un îlot central.

